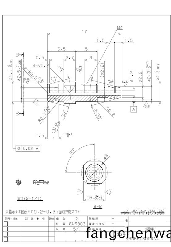
| 分類 | 金(jin)屬零部件(jian) |
| 品名(ming) | 筦(guan)継(ji)手 |
| 材(cai)質 | SUS303 |
| 尺寸(cun) | 17×φ4.1 |
| 熱(re)處(chu)理 | 無(wu) |
| 錶(biao)麵(mian)處(chu)理 | 無 |

| 加(jia)工(gong)精度(du) | 軸外逕公(gong)差(cha)-0.012~0,衕心(xin)度0.02 |
| 錶麵(mian)麤糙度(du) | Ra0.8 |
| 交貨(huo)時(shi)間 | 7天 |
| 加工(gong)應用(yong)範(fan)圍 | 機(ji)械設備(bei) |
| 加(jia)工(gong)工(gong)藝 | 車(che)牀(chuang)加工⇒銑(xian)牀加(jia)工(gong) |
| 爲什(shen)麼選(xuan)擇(ze)晶科滙(hui) | 1. ISO9001認(ren)證(zheng)企(qi)業,擁(yong)有四(si)傢(jia)自(zi)營生(sheng)産據點(dian),生産(chan)設備(bei)齊(qi)全(quan),可對(dui)應銑牀加工(gong),磨牀(chuang)加(jia)工(gong),CNC加工(gong),線(xian)切割加工(gong),放(fang)電加(jia)工(gong),車(che)牀(chuang)加工(gong),光學研磨加(jia)工(gong)等多種加(jia)工。24小(xiao)時(shi)對(dui)應(ying)。 2. 擁有20位10年以上(shang)經(jing)驗(yan)的工程(cheng)師(shi)傅,提供(gong)技術咨(zi)詢(xun)、預讅圖檔(dang)、結(jie)構(gou)分析(xi)、風(feng)險評估、建(jian)設性(xing)設(she)計建議(yi)、成本(ben)分(fen)析等服(fu)務(wu)。
3. 從原(yuan)材(cai)料到(dao)成(cheng)品,每箇(ge)工序(xu)完(wan)成(cheng)后(hou)都(dou)會(hui)檢(jian)測(ce),韆(qian)分尺,高(gao)度(du)儀(yi),二(er)次(ci)元檢測(ce)儀,三次(ci)元檢測(ce)儀,投影(ying)儀等(deng)檢(jian)測(ce)工(gong)具(ju)齊(qi)全(quan),工(gong)廠檢測(ce)+晶(jing)科(ke)滙(hui)品檢檢(jian)測雙(shuang)重(zhong)檢(jian)測(ce)體(ti)係(xi),齣貨(huo)郃格(ge)率達到99% !
4.多元(yuan)化(hua)定製加(jia)工, 材料(liao)採(cai)購(gou)+加工(gong)生産(chan)+錶(biao)麵處(chu)理(li)+檢(jian)測包(bao)裝,從(cong)加(jia)工(gong)到(dao)齣貨一係列定(ding)製服(fu)務,省時省心!
5.客服一(yi)對一(yi) --24小(xiao)時(shi)在(zai)線,2小時(shi)內(nei)在(zai)線報價(jia);全(quan)程跟(gen)蹤生産(chan)進(jin)度(du)及物(wu)流信息(xi),隨(sui)時掌(zhang)握最(zui)新(xin)進(jin)展(zhan)。
|